Main page >
DC motors with spur gearbox >
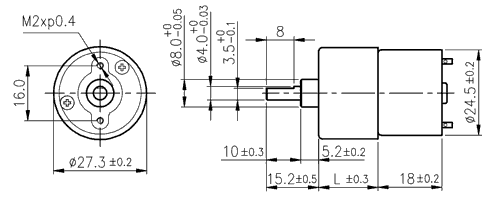
Series SGC370
DC motor series SGC270 with spur gearbox
The production of this series is over.
Unfortunately at this point, only the motors on my stock are available.
Unfortunately at this point, only the motors on my stock are available.
The same gearbox is used in the series SGC271, which serves as the closest substitute.
- DC metal-brush motor
- It contains a filter to suppress electromagnetic interference
- Spur gearbox with metal gears
- First stage is made of brass
- Sleeve bearings
Gear motor specifications
| Ratio | 10:1 | 15:1 | 21:1 | 30:1 | 44:1 | 60:1 | 77:1 | 100:1 | 112:1 | 150:1 | 170:1 | |
|---|---|---|---|---|---|---|---|---|---|---|---|---|
| 12 V | Rated torque [g-cm] | 89 | 120 | 171 | 215 | 315 | 429 | 549 | 715 | 805 | 825 | 939 |
| Rated speed [rpm] | 375 | 250 | 176 | 125 | 85 | 63 | 49 | 37 | 33 | 25 | 22 | |
| 24 V | Rated torque [g-cm] | 45 | 60 | 90 | 110 | 160 | 220 | 290 | 370 | 410 | 430 | 480 |
| Rated speed [rpm] | 420 | 280 | 195 | 140 | 95 | 70 | 55 | 42 | 37 | 27 | 24 | |
| Wieght [g] | 59 | 60 | 60 | 61 | 61 | 61 | 61 | 62 | 62 | 62 | 62 | |
| Ratio | 200:1 | 250:1 | 320:1 | 360:1 | 500:1 | 700:1 | 800:1 | 900:1 | 1150:1 | |
|---|---|---|---|---|---|---|---|---|---|---|
| 12 V | Rated torque [g-cm] | 1100 | 1200 | 1200 | 1200 | 1500 | 1500 | 1500 | 1500 | 1500 |
| Rated speed [rpm] | 19 | 15 | 12 | 10.5 | 7.5 | 5.6 | 5.0 | 4.9 | 4.0 | |
| 24 V | Rated torque [g-cm] | 560 | 700 | 900 | 950 | 1050 | 1500 | 1500 | 1500 | 1500 |
| Rated speed [rpm] | 20 | 16 | 13 | 11.3 | 8.0 | 5.7 | 5.3 | 5.0 | 4.1 | |
| Wieght [g] | 62 | 62 | 62 | 62 | 63 | 63 | 63 | 63 | 63 | |

Gearboxes specifications
- Backlash, at no-load ≤ 2 °
- Radial load ≤ 0.3 kg (10 mm from flange)
- Shaft axial load ≤ 0.2 kg
- Shaft press fit force max. ≤ 2 kg
- Radial play of shaft ≤ 0.05 mm
- Thrust play of shaft ≤ 0.3 mm
- Operating temperature range -10...60 °C
- Operating relative humidity 20...85 %
| Ratio | 10:1 | 15, 21:1 | 30, 44:1 | 60, 77:1 | 100, 112:1 | 150, 170, 200, 250, 320, 360:1 |
500, 700, 800, 900, 1150:1 |
|---|---|---|---|---|---|---|---|
| Rated permissible torque [kg-cm] | 0.3 | 0.4 | 0.6 | 0.8 | 1.0 | 1.2 | 1.5 |
| Efficiency [%] | 81 | 73 | 65 | 65 | 65 | 50 | 40 |
| Length L [mm] | 17.3 | 17.3 | 17.3 | 17.3 | 17.3 | 17.3 | 19.3 |
Motor data
| Rated voltage [V] | Rated torque [g-cm] | Rated speed [rpm] | Rated current [mA] | No load speed [rpm] | No load current [mA] | Rated output [W] |
|---|---|---|---|---|---|---|
| 12 | 11 | 3750 | ≤80 | 5200 | ≤40 | 0.40 |
| 24 | 10 | 6400 | ≤60 | 8000 | ≤15 | 0.66 |
