Main page >
DC motors with spur gearbox >
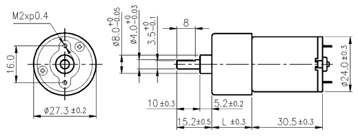
Series SGC271
DC motor series SGC271 with spur gearbox
- DC carbon-brush motor
- It contains a filter to suppress electromagnetic interference
- Spur gearbox with metal gears
- First stage is made of brass
- Sleeve bearings
Gear motor specifications
| Ratio | 10:1 | 15:1 | 21:1 | 30:1 | 44:1 | 60:1 | 77:1 | 100:1 | 112:1 | 150:1 | 170:1 | |
|---|---|---|---|---|---|---|---|---|---|---|---|---|
| 12 V | Rated torque [kg-cm] | 0.16 | 0.22 | 0.32 | 0.40 | 0.55 | 0.78 | 0.8 | 1.0 | 1.0 | 1.2 | 1.2 |
| Rated speed [rpm] | 340 | 230 | 160 | 110 | 80 | 59 | 46 | 36 | 33 | 21.5 | 20 | |
| 24 V | Rated torque [kg-cm] | 0.16 | 0.21 | 0.30 | 0.38 | 0.52 | 0.73 | 0.8 | 1.0 | 1.0 | 1.2 | 1.2 |
| Rated speed [rpm] | 325 | 220 | 153 | 105 | 77 | 56 | 44 | 34 | 33 | 22 | 20 | |
| Wieght [g] | 77 | 78 | 78 | 79 | 79 | 79 | 79 | 79 | 80 | 80 | 80 | |
| Ratio | 200:1 | 250:1 | 320:1 | 360:1 | 500:1 | 700:1 | 900:1 | 1150:1 | |
|---|---|---|---|---|---|---|---|---|---|
| 12 V | Rated torque [kg-cm] | 1.2 | 1.2 | 1.2 | 1.2 | 1.2 | 1.2 | 1.2 | 1.2 |
| Rated speed [rpm] | 18 | 14.5 | 12 | 10.5 | 7.5 | 5.7 | 4.5 | 3.7 | |
| 24 V | Rated torque [kg-cm] | 1.2 | 1.2 | 1.2 | 1.2 | 1.2 | 1.2 | 1.2 | 1.2 |
| Rated speed [rpm] | 18 | 14.5 | 11.5 | 10.5 | 7.5 | 5.6 | 4.5 | 3.6 | |
| Wieght [g] | 80 | 80 | 80 | 80 | 81 | 81 | 81 | 81 | |

Gearboxes specifications
- Backlash, at no-load ≤ 2 °
- Radial load ≤ 0.3 kg (10 mm from flange)
- Shaft axial load ≤ 0.2 kg
- Shaft press fit force max. ≤ 2 kg
- Radial play of shaft ≤ 0.05 mm
- Thrust play of shaft ≤ 0.3 mm
- Operating temperature range -10...60 °C
- Operating relative humidity 20...85 %
| Ratio | 10:1 | 15, 21:1 | 30, 44:1 | 60, 77:1 | 100, 112:1 | 150, 170, 200, 250, 320, 360:1 |
500, 700, 900, 1150:1 |
|---|---|---|---|---|---|---|---|
| Rated permissible torque [kg-cm] | 0.3 | 0.4 | 0.6 | 0.8 | 1.0 | 1.2 | 1.5 |
| Efficiency [%] | 81 | 73 | 65 | 65 | 65 | 50 | 40 |
| Length L [mm] | 17.3 | 17.3 | 17.3 | 17.3 | 17.3 | 17.3 | 19.3 |
Motor data
| Rated voltage [V] | Rated torque [g-cm] | Rated speed [rpm] | Rated current [mA] | No load speed [rpm] | No load current [mA] | Rated output [W] |
|---|---|---|---|---|---|---|
| 12 | 20.5 | 3560 | ≤150 | 4500 | ≤40 | 0.75 |
| 24 | 19.5 | 3400 | ≤65 | 4500 | ≤30 | 0.68 |
