Main page >
DC motors with spur gearbox >
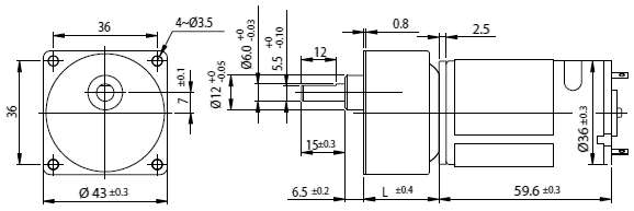
Series SGS430
DC motor series SGS430 with spur gearbox
- DC carbon-brush motor
- It contains a filter to suppress electromagnetic interference
- Spur gearbox with metal gears (except first stage)
- Only first stage is made of bakelite for noise reduction purpose
- Sleeve bearings
Gear motor specifications
| Ratio | 10:1 | 15:1 | 18:1 | 25:1 | 36:1 | 50:1 | 75:1 | 100:1 | |
|---|---|---|---|---|---|---|---|---|---|
| 12 V | Rated torque [kg-cm] | 1.0 | 2.7 | 3.0 | 4.0 | 4.0 | 5.0 | 5.0 | 7.0 |
| Rated speed [rpm] | 519 | 321 | 275 | 198 | 145 | 103 | 72.5 | 54 | |
| 24 V | Rated torque [kg-cm] | 1.0 | 2.6 | 3.0 | 4.0 | 4.0 | 5.0 | 5.0 | 7.0 |
| Rated speed [rpm] | 530 | 340 | 283 | 207 | 149 | 107 | 73 | 54 | |
| Wieght [g] | 330 | 336 | 336 | 336 | 336 | 345 | 345 | 345 | |
| Ratio | 150:1 | 200:1 | 250:1 | 360:1 | 500:1 | |
|---|---|---|---|---|---|---|
| 12 V | Rated torque [kg-cm] | 7.0 | 7.0 | 7.0 | 7.0 | 7.0 |
| Rated speed [rpm] | 37 | 28.5 | 22.5 | 16 | 11.8 | |
| 24 V | Rated torque [kg-cm] | 7.0 | 7.0 | 7.0 | 7.0 | 7.0 |
| Rated speed [rpm] | 37 | 28.5 | 23 | 16.2 | 11.8 | |
| Wieght [g] | 345 | 350 | 350 | 350 | 350 | |

Gearboxes specifications
- Backlash, at no-load ≤ 2 °
- Radial load ≤ 1 kg (10 mm from flange)
- Shaft axial load ≤ 0.7 kg
- Shaft press fit force max. ≤ 20 kg
- Radial play of shaft ≤ 0.05 mm
- Thrust play of shaft ≤ 0.35 mm
- Operating temperature range -10...60 °C
- Operating relative humidity 20...85 %
| Ratio | 10:1 | 15, 18:1 | 25, 36:1 | 50, 75:1 | 100, 150:1 | 200, 250, 360, 500:1 |
|---|---|---|---|---|---|---|
| Rated permissible torque [kg-cm] | 1.0 | 3.0 | 4.0 | 5.0 | 7.0 | 7.0 |
| Efficiency [%] | 81 | 73 | 73 | 66 | 66 | 59 |
| Length L [mm] | 23.9 | 26.4 | 26.4 | 28.9 | 28.9 | 31.4 |
Motor data
| Rated voltage [V] | Rated torque [g-cm] | Rated speed [rpm] | Rated current [mA] | No load speed [rpm] | No load current [mA] | Rated output [W] |
|---|---|---|---|---|---|---|
| 12 | 250 | 4930 | ≤1600 | 6000 | ≤250 | 12.8 |
| 24 | 240 | 5150 | ≤750 | 6000 | ≤130 | 12.7 |