Main page >
DC motors with spur gearbox >
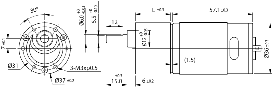
Series SG371
DC motor series SG371 with spur gearbox
- DC carbon-brush motor
- It contains a filter to suppress electromagnetic interference
- There is also a version with encoder
- Spur gearbox with metal gears (except first stage)
- Only first stage is made of bakelite for noise reduction purpose
- Sleeve bearings
Gear motor specifications
| Ratio | 10:1 | 18:1 | 30:1 | 50:1 | 60:1 | 75:1 | 90:1 | 100:1 | 120:1 | 150:1 | 180:1 | |
|---|---|---|---|---|---|---|---|---|---|---|---|---|
| 12 V | Rated torque [kg-cm] | 1.0 | 1.0 | 2.0 | 3.0 | 3.0 | 4.0 | 4.0 | 6.0 | 6.0 | 6.0 | 6.0 |
| Rated speed [rpm] | 528 | 313 | 185 | 109 | 95 | 76 | 63 | 55 | 47 | 36 | 31.5 | |
| 24 V | Rated torque [kg-cm] | 1.0 | 1.0 | 2.0 | 3.0 | 3.0 | 4.0 | 4.0 | 6.0 | 6.0 | 6.0 | 6.0 |
| Rated speed [rpm] | 532 | 315 | 186 | 111 | 96 | 77 | 64 | 55.5 | 48 | 36 | 32 | |
| Wieght [g] | 306 | 313 | 313 | 320 | 320 | 320 | 320 | 320 | 326 | 326 | 326 | |
| Ratio | 200:1 | 250:1 | 300:1 | 500:1 | 600:1 | 750:1 | 1000:1 | 1500:1 | 3000:1 | |
|---|---|---|---|---|---|---|---|---|---|---|
| 12 V | Rated torque [kg-cm] | 6.0 | 6.0 | 6.0 | 6.0 | 6.0 | 6.0 | 6.0 | 6.0 | 6.0 |
| Rated speed [rpm] | 29 | 22.5 | 19.5 | 11.5 | 9.8 | 8.0 | 5.9 | 3.9 | 2.0 | |
| 24 V | Rated torque [kg-cm] | 6.0 | 6.0 | 6.0 | 6.0 | 6.0 | 6.0 | 6.0 | 6.0 | 6.0 |
| Rated speed [rpm] | 29.5 | 23 | 20 | 11.8 | 9.9 | 8.0 | 6.0 | 4.0 | 2.0 | |
| Wieght [g] | 326 | 326 | 326 | 332 | 332 | 332 | 332 | 340 | 340 | |

Gearboxes specifications
- Backlash, at no-load ≤ 2 °
- Radial load ≤ 1 kg (10 mm from flange)
- Shaft axial load ≤ 0.7 kg
- Shaft press fit force max. ≤ 20 kg
- Radial play of shaft ≤ 0.05 mm
- Thrust play of shaft ≤ 0.35 mm
- Operating temperature range -10...60 °C
- Operating relative humidity 20...85 %
| Ratio | 10:1 | 18:1 | 30:1 | 50, 60:1 | 75, 90:1 | 100:1 | 120, 150, 180, 200, 250, 300:1 |
500, 600, 750, 1000:1 |
1500, 3000:1 |
|---|---|---|---|---|---|---|---|---|---|
| Rated permissible torque [kg-cm] | 1.0 | 1.0 | 2.0 | 3.0 | 4.0 | 6.0 | 6.0 | 6.0 | 6.0 |
| Efficiency [%] | 81 | 73 | 73 | 66 | 66 | 66 | 59 | 53 | 48 |
| Length L [mm] | 19.5 | 22.0 | 22.0 | 24.5 | 24.5 | 24.5 | 27.0 | 29.5 | 32.0 |
Motor data
| Rated voltage [V] | Rated torque [g-cm] | Rated speed [rpm] | Rated current [mA] | No load speed [rpm] | No load current [mA] | Rated output [W] |
|---|---|---|---|---|---|---|
| 12 | 250 | 4930 | ≤1600 | 6000 | ≤250 | 12.8 |
| 24 | 240 | 5150 | ≤750 | 6000 | ≤130 | 12.7 |

Encoder specifications
- Two channel hall effect encoder with 90° phase shift
- Open collector output
- 7 pulses per motor revolution (PPR) and senzor
- Supply voltage 3.5 až 20 V
- Length of rear cover (D) 13.5 mm
- We offer a suitable connector for PCB