Main page >
DC motors with spur gearbox >
Series SG300
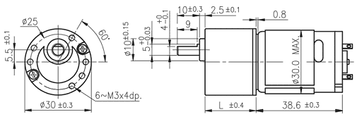
DC motor series SG300 with spur gearbox
- DC carbon-brush motor
- It contains a filter to suppress electromagnetic interference
- Spur gearbox with metal gears (except first stage)
- Only first stage is made of bakelite for noise reduction purpose
- Sleeve bearings
Gear motor specifications
| Ratio | 20:1 | 30:1 | 50:1 | 60:1 | 75:1 | 100:1 | 150:1 | |
|---|---|---|---|---|---|---|---|---|
| 12 V | Rated torque [kg-cm] | 1.0 | 1.5 | 2.0 | 2.0 | 3.0 | 3.0 | 4.0 |
| Rated speed [rpm] | 255 | 168 | 107 | 91 | 73 | 56 | 37.5 | |
| 24 V | Rated torque [kg-cm] | 1.0 | 1.5 | 2.0 | 2.0 | 3.0 | 3.0 | 4.0 |
| Rated speed [rpm] | 258 | 168 | 107 | 91 | 73 | 56 | 37.4 | |
| Wieght [g] | 162 | 162 | 162 | 162 | 162 | 162 | 171 | |
| Ratio | 180:1 | 250:1 | 400:1 | 600:1 | 900:1 | |
|---|---|---|---|---|---|---|
| 12 V | Rated torque [kg-cm] | 4.5 | 4.5 | 4.5 | 4.5 | 4.5 |
| Rated speed [rpm] | 32 | 24 | 15.2 | 10.4 | 6.9 | |
| 24 V | Rated torque [kg-cm] | 4.5 | 4.5 | 4.5 | 4.5 | 4.5 |
| Rated speed [rpm] | 31.8 | 24 | 15.1 | 10.3 | 6.9 | |
| Wieght [g] | 171 | 171 | 171 | 171 | 171 | |

Gearboxes specifications
- Backlash, at no-load ≤ 2 °
- Radial load ≤ 0.8 kg (10 mm from flange)
- Shaft axial load ≤ 0.6 kg
- Shaft press fit force max. ≤ 10 kg
- Radial play of shaft ≤ 0.05 mm
- Thrust play of shaft ≤ 0.35 mm
- Operating temperature range -10...60 °C
- Operating relative humidity 20...85 %
| Ratio | 20:1 | 30:1 | 50, 60:1 | 75, 100:1 | 150:1 | 180, 250, 400, 600, 900:1 |
|---|---|---|---|---|---|---|
| Rated permissible torque [kg-cm] | 1.0 | 1.5 | 2.0 | 3.0 | 4.0 | 4.5 |
| Efficiency [%] | 66 | 66 | 66 | 66 | 53 | 53 |
| Length L [mm] | 23 | 23 | 23 | 23 | 28 | 28 |
Motor data
| Rated voltage [V] | Rated torque [g-cm] | Rated speed [rpm] | Rated current [mA] | No load speed [rpm] | No load current [mA] | Rated output [W] |
|---|---|---|---|---|---|---|
| 12 | 78 | 5290 | ≤530 | 6500 | ≤150 | 4.22 |
| 24 | 74 | 5250 | ≤250 | 6500 | ≤85 | 3.97 |
