Main page >
DC motors with planetary gearbox >
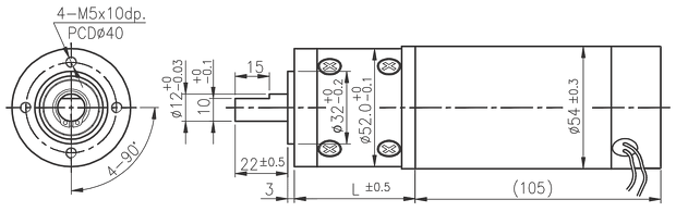
Series PG521
DC motor series PG521 with planetary gearbox
- Quality DC commutator motor with carbon brushes
- It contains a filter to suppress electromagnetic interference
- Bidirectional, the direction of rotation can be set by changing the polarity of the supply voltage
- Planetary gearbox with metal gears
- Output shaft is supported by a ball bearing
- There is also a version with encoder
Gear motor specifications
| Ratio | 3:1 | 4:1 | 12:1 | 15:1 | 19:1 | 26:1 | 43:1 | 53:1 | 66:1 | 81:1 | 100:1 | |
|---|---|---|---|---|---|---|---|---|---|---|---|---|
| 12 V | Rated torque [kg-cm] | 2.5 | 3.1 | 7.7 | 9.5 | 11.8 | 16 | 23 | 28 | 35 | 44 | 54 |
| Rated speed [rpm] | 1030 | 835 | 295 | 238 | 192 | 139 | 84 | 68 | 55 | 44 | 36 | |
| 24 V | Rated torque [kg-cm] | 3.6 | 4.5 | 11 | 13.5 | 17 | 23 | 33 | 41 | 51 | 62 | 78 |
| Rated speed [rpm] | 1000 | 815 | 285 | 230 | 185 | 136 | 82 | 67 | 54 | 44 | 35 | |
| Wieght [g] | 1395 | 1395 | 1580 | 1580 | 1580 | 1580 | 1770 | 1770 | 1770 | 1770 | 1770 | |
| Ratio | 113:1 | 150:1 | 230:1 | 285:1 | 353:1 | 488:1 | 676:1 | 936:1 | |
|---|---|---|---|---|---|---|---|---|---|
| 12 V | Rated torque [kg-cm] | 60 | 67 | 100 | 100 | 100 | 100 | 100 | 100 |
| Rated speed [rpm] | 32 | 24 | 15.5 | 12.8 | 10.4 | 7.6 | 5.6 | 4.0 | |
| 24 V | Rated torque [kg-cm] | 88 | 97 | 100 | 100 | 100 | 100 | 100 | 100 |
| Rated speed [rpm] | 31 | 23.5 | 15.6 | 12.9 | 10.5 | 7.7 | 5.7 | 4.1 | |
| Wieght [g] | 1770 | 1940 | 1940 | 1940 | 1940 | 1940 | 1940 | 1940 | |

Gearboxes specifications
- Backlash, at no-load ≤ 3 °
- Radial load ≤ 20 kg (10 mm from flange)
- Shaft axial load ≤ 10 kg
- Shaft press fit force max. ≤ 30 kg
- Radial play of shaft ≤ 0.04 mm
- Thrust play of shaft ≤ 0.3 mm
- Operating temperature range -10...60 °C
- Operating relative humidity 20...85 %
| Ratio | 3, 4:1 | 12, 15:1 | 19:1 | 43, 53, 66, 81, 100, 113:1 | 150, 212, 230, 285, 353, 488, 676, 939:1 |
|---|---|---|---|---|---|
| Rated permissible torque [kg-cm] | 10.0 | 30.0 | 50.0 | 100.0 | 100.0 |
| Efficiency [%] | 80 | 70 | 70 | 60 | 50 |
| Length L [mm] | 53.0 | 68.5 | 68.5 | 84.0 | 99.5 |
Motor data
| Rated voltage [V] | Rated torque [g-cm] | Rated speed [rpm] | Rated current [mA] | No load speed [rpm] | No load current [mA] | Rated output [W] |
|---|---|---|---|---|---|---|
| 12 | 900 | 3620 | ≤4100 | 4000 | ≤1200 | 33.5 |
| 24 | 1300 | 3550 | ≤2850 | 4000 | ≤700 | 48.6 |