Main page >
DC motors with planetary gearbox >
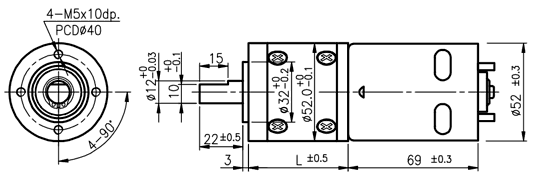
Series PG520
DC motor series PG520 with planetary gearbox
- Quality DC commutator motor with carbon brushes
- It contains a filter to suppress electromagnetic interference
- Bidirectional, the direction of rotation can be set by changing the polarity of the supply voltage
- Planetary gearbox with metal gears
- Output shaft is supported by a ball bearing
- There is also a version with encoder
Gear motor specifications
| Ratio | 3:1 | 4:1 | 12:1 | 15:1 | 19:1 | 43:1 | 53:1 | 66:1 | 81:1 | 100:1 | |
|---|---|---|---|---|---|---|---|---|---|---|---|
| 12 V | Rated torque [kg-cm] | 1.3 | 1.65 | 4.1 | 5.0 | 6.3 | 12 | 15 | 19 | 23 | 28 |
| Rated speed [rpm] | 1560 | 1260 | 450 | 369 | 305 | 130 | 105 | 85 | 68.5 | 55.5 | |
| 24 V | Rated torque [kg-cm] | 1.8 | 2.2 | 5.5 | 6.8 | 8.5 | 16 | 20 | 25 | 31 | 39 |
| Rated speed [rpm] | 1520 | 1230 | 444 | 359 | 290 | 127 | 102 | 83 | 66.5 | 54 | |
| Wieght [g] | 955 | 955 | 1140 | 1140 | 1140 | 1330 | 1330 | 1330 | 1330 | 1330 | |
| Ratio | 113:1 | 150:1 | 230:1 | 285:1 | 353:1 | 488:1 | 676:1 | |
|---|---|---|---|---|---|---|---|---|
| 12 V | Rated torque [kg-cm] | 32 | 36 | 55 | 68 | 84 | 100 | 100 |
| Rated speed [rpm] | 49.5 | 37 | 24 | 19.5 | 15.5 | 11.5 | 8.3 | |
| 24 V | Rated torque [kg-cm] | 44 | 48 | 74 | 92 | 100 | 100 | 100 |
| Rated speed [rpm] | 48 | 36 | 23.5 | 19 | 15.5 | 11.6 | 8.4 | |
| Wieght [g] | 1330 | 1500 | 1500 | 1500 | 1500 | 1500 | 1500 | |

Gearboxes specifications
- Backlash, at no-load ≤ 3 °
- Radial load ≤ 20 kg (10 mm from flange)
- Shaft axial load ≤ 10 kg
- Shaft press fit force max. ≤ 30 kg
- Radial play of shaft ≤ 0.04 mm
- Thrust play of shaft ≤ 0.3 mm
- Operating temperature range -10...60 °C
- Operating relative humidity 20...85 %
| Ratio | 3, 4:1 | 12, 15:1 | 19:1 | 43, 53, 66, 81, 100, 113:1 | 150, 212, 230, 285, 353, 488, 676:1 |
|---|---|---|---|---|---|
| Rated permissible torque [kg-cm] | 10.0 | 30.0 | 50.0 | 100.0 | 100.0 |
| Efficiency [%] | 80 | 70 | 70 | 60 | 50 |
| Length L [mm] | 53.0 | 68.5 | 68.5 | 84.0 | 99.5 |
Motor data
| Rated voltage [V] | Rated torque [g-cm] | Rated speed [rpm] | Rated current [mA] | No load speed [rpm] | No load current [mA] | Rated output [W] |
|---|---|---|---|---|---|---|
| 12 | 480 | 5600 | ≤5600 | 6000 | ≤1750 | 58.6 |
| 24 | 650 | 5450 | ≤2750 | 6000 | ≤750 | 48.3 |

Encoder specifications
- Two channel hall effect encoder with 90° phase shift
- Open collector output
- 5 pulses per motor revolution (PPR) and senzor
- Supply voltage 3.5 až 20 V
- Length of rear cover (D) 18.0 mm
- We offer a suitable connector for PCB