Main page >
DC motors with planetary gearbox >
Series PG421
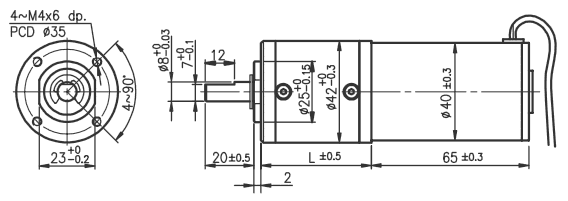
DC motor series PG421 with planetary gearbox
- Quality DC commutator motor with carbon brushes
- It contains a filter to suppress electromagnetic interference
- Bidirectional, the direction of rotation can be set by changing the polarity of the supply voltage
- Planetary gearbox with metal gears
- Output shaft is supported by a ball bearing
This series can be supplied with the bevel gearbox
Gear motor specifications
| Ratio | 4:1 | 14:1 | 17:1 | 24:1 | 49:1 | 61:1 | 84:1 | 104:1 | 144:1 | 212:1 | 294:1 | |
|---|---|---|---|---|---|---|---|---|---|---|---|---|
| 12 V | Rated torque [kg-cm] | 1.3 | 4.0 | 5.0 | 7.0 | 12 | 15 | 18 | 20 | 20 | 25 | 25 |
| Rated speed [rpm] | 930 | 265 | 210 | 150 | 76 | 61 | 45 | 37 | 27 | 18.5 | 14 | |
| 24 V | Rated torque [kg-cm] | 1.0 | 3.0 | 4.0 | 5.5 | 10 | 12 | 17 | 20 | 20 | 25 | 25 |
| Rated speed [rpm] | 945 | 270 | 215 | 155 | 76 | 62 | 45 | 36 | 27 | 18.5 | 14 | |
| Wieght [g] | 479 | 531 | 531 | 531 | 571 | 571 | 571 | 571 | 571 | 621 | 621 | |
| Ratio | 504:1 | 720:1 | 864:1 | 1062:1 | 1470:1 | 2500:1 | 3000:1 | 3600:1 | |
|---|---|---|---|---|---|---|---|---|---|
| 12 V | Rated torque [kg-cm] | 30 | 30 | 30 | 30 | 30 | 30 | 30 | 30 |
| Rated speed [rpm] | 8.3 | 5.9 | 4.9 | 4.0 | 2.8 | 1.7 | 1.4 | 1.2 | |
| 24 V | Rated torque [kg-cm] | 30 | 30 | 30 | 30 | 30 | 30 | 30 | 30 |
| Rated speed [rpm] | 8.3 | 5.9 | 4.9 | 4.0 | 2.8 | 1.7 | 1.4 | 1.2 | |
| Wieght [g] | 621 | 621 | 621 | 666 | 666 | 666 | 666 | 666 | |

Gearboxes specifications
- Backlash, at no-load ≤ 3 °
- Radial load ≤ 8 kg (10 mm from flange)
- Shaft axial load ≤ 3 kg
- Shaft press fit force max. ≤ 15 kg
- Radial play of shaft ≤ 0.05 mm
- Thrust play of shaft ≤ 0.3 mm
- Operating temperature range -10...60 °C
- Operating relative humidity 20...85 %
| Ratio | 4:1 | 14, 17, 24:1 | 49, 61, 84:1 | 104, 144:1 | 212, 294:1 | 504, 720, 864:1 |
1062, 1470, 2500, 3000, 3600:1 |
|---|---|---|---|---|---|---|---|
| Rated permissible torque [kg-cm] | 3.0 | 8.0 | 18.0 | 20.0 | 25.0 | 30.0 | 30.0 |
| Efficiency [%] | 80 | 70 | 60 | 60 | 50 | 50 | 40 |
| Length L [mm] | 32.5 | 39.2 | 45.9 | 45.9 | 52.6 | 52.6 | 59.6 |
Motor data
| Rated voltage [V] | Rated torque [g-cm] | Rated speed [rpm] | Rated current [mA] | No load speed [rpm] | No load current [mA] | Rated output [W] |
|---|---|---|---|---|---|---|
| 12 | 430 | 3750 | ≤2000 | 4500 | ≤500 | 16.56 |
| 24 | 350 | 3800 | ≤820 | 4500 | ≤220 | 13.65 |
The dimensions of the bevel gearbox
