Main page >
DC motors with planetary gearbox >
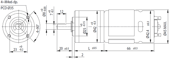
Series PG420
DC motor series PG420 with planetary gearbox
- Quality DC commutator motor with carbon brushes
- It contains a filter to suppress electromagnetic interference
- Bidirectional, the direction of rotation can be set by changing the polarity of the supply voltage
- Planetary gearbox with metal gears
- Output shaft is supported by a ball bearing
- There is also a version with encoder
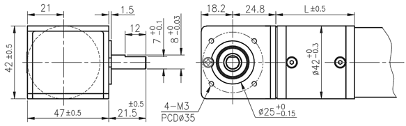
This series can be supplied with the bevel gearbox, ratio 1:1
Gear motor specifications
| Ratio | 4:1 | 14:1 | 17:1 | 24:1 | 49:1 | 61:1 | 84:1 | 104:1 | 144:1 | 212:1 | 294:1 | |
|---|---|---|---|---|---|---|---|---|---|---|---|---|
| 12 V | Rated torque [kg-cm] | 2.2 | 6.5 | 8 | 8 | 18 | 18 | 18 | 20 | 20 | 25 | 25 |
| Rated speed [rpm] | 1400 | 405 | 325 | 238 | 120 | 98 | 76 | 63 | 45 | 31 | 22 | |
| 24 V | Rated torque [kg-cm] | 1.8 | 5.4 | 6.6 | 8 | 16 | 18 | 18 | 20 | 20 | 25 | 25 |
| Rated speed [rpm] | 1445 | 420 | 340 | 246 | 122 | 102 | 78 | 63 | 47 | 31 | 22 | |
| Wieght [g] | 530 | 578 | 578 | 578 | 620 | 620 | 620 | 620 | 620 | 670 | 670 | |
| Ratio | 504:1 | 720:1 | 864:1 | 1062:1 | 1470:1 | 2500:1 | 3000:1 | 3600:1 | |
|---|---|---|---|---|---|---|---|---|---|
| 12 V | Rated torque [kg-cm] | 30 | 30 | 30 | 30 | 30 | 30 | 30 | 30 |
| Rated speed [rpm] | 13.5 | 9.5 | 8 | 6.5 | 4.6 | 2.7 | 2.3 | 1.9 | |
| 24 V | Rated torque [kg-cm] | 30 | 30 | 30 | 30 | 30 | 30 | 30 | 30 |
| Rated speed [rpm] | 13.5 | 9.5 | 8 | 6.5 | 4.6 | 2.7 | 2.3 | 1.9 | |
| Wieght [g] | 670 | 670 | 670 | 716 | 716 | 716 | 716 | 716 | |

Gearboxes specifications
- Backlash, at no-load ≤ 3 °
- Radial load ≤ 8 kg (10 mm from flange)
- Shaft axial load ≤ 3 kg
- Shaft press fit force max. ≤ 15 kg
- Radial play of shaft ≤ 0.05 mm
- Thrust play of shaft ≤ 0.3 mm
- Operating temperature range -10...60 °C
- Operating relative humidity 20...85 %
| Ratio | 4:1 | 14, 17, 24:1 | 49, 61, 84:1 | 104, 144:1 | 212, 294:1 | 504, 720, 864:1 |
1062, 1470, 2500, 3000, 3600:1 |
|---|---|---|---|---|---|---|---|
| Rated permissible torque [kg-cm] | 3.0 | 8.0 | 18.0 | 20.0 | 25.0 | 30.0 | 30.0 |
| Efficiency [%] | 80 | 70 | 60 | 60 | 50 | 50 | 40 |
| Length L [mm] | 32.5 | 39.2 | 45.9 | 45.9 | 52.6 | 52.6 | 59.6 |
Motor data
| Rated voltage [V] | Rated torque [g-cm] | Rated speed [rpm] | Rated current [mA] | No load speed [rpm] | No load current [mA] | Rated output [W] |
|---|---|---|---|---|---|---|
| 12 | 700 | 5700 | ≤5500 | 7000 | ≤900 | 41.3 |
| 24 | 570 | 5900 | ≤2100 | 7000 | ≤500 | 34.7 |

Encoder specifications
- Two channel hall effect encoder with 90° phase shift
- Open collector output
- 5 pulses per motor revolution (PPR) and senzor
- Supply voltage 3.5 až 20 V
- Length of rear cover (D) 15.5 mm
- We offer a suitable connector for PCB
The dimensions of the bevel gearbox
