Main page >
DC motors with planetary gearbox >
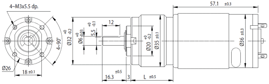
Series PG350
DC motor series PG350 with planetary gearbox
- DC carbon-brush motor
- It contains a filter to suppress electromagnetic interference
- Bidirectional, the direction of rotation can be set by changing the polarity of the supply voltage
- There is also a version with encoder
- Planetary gearbox with metal gears (except first stage)
- Only first stage is made of plastic for noise reduction purpose
- Output shaft is supported by a ball bearing
Gear motor specifications
| Ratio | 5:1 | 14:1 | 19:1 | 27:1 | 51:1 | 71:1 | 100:1 | 139:1 | 189:1 | 264:1 | 516:1 | 721:1 | |
|---|---|---|---|---|---|---|---|---|---|---|---|---|---|
| 12 V | Rated torque [kg-cm] | 1.0 | 2.4 | 3.3 | 4.7 | 7.6 | 8 | 10 | 10 | 12 | 12 | 12 | 12 |
| Rated speed [rpm] | 950 | 359 | 257 | 183 | 97 | 71.5 | 52 | 39 | 29 | 21 | 11 | 8 | |
| 24 V | Rated torque [kg-cm] | 1.0 | 2.3 | 3.2 | 4.5 | 7.3 | 8 | 10 | 10 | 12 | 12 | 12 | 12 |
| Rated speed [rpm] | 990 | 375 | 268 | 192 | 101 | 74.5 | 54 | 40 | 29.5 | 22 | 11.5 | 8 | |
| Wieght [g] | 328 | 362 | 362 | 362 | 394 | 394 | 394 | 394 | 420 | 420 | 420 | 420 | |

Gearboxes specifications
- Backlash, at no-load ≤ 2.5 °
- Radial load ≤ 3.5 kg (10 mm from flange)
- Shaft axial load ≤ 2.5 kg
- Shaft press fit force max. ≤ 10 kg
- Radial play of shaft ≤ 0.05 mm
- Thrust play of shaft ≤ 0.3 mm
- Operating temperature range -10...60 °C
- Operating relative humidity 20...85 %
| Ratio | 5:1 | 14:1 | 19:1 | 27:1 | 51:1 | 71:1 | 100:1 | 139:1 | 189:1 | 264:1 | 516:1 | 721:1 |
|---|---|---|---|---|---|---|---|---|---|---|---|---|
| Rated permissible torque [kg-cm] | 2.0 | 4.0 | 4.0 | 6.0 | 8.0 | 8.0 | 10.0 | 10.0 | 12.0 | 12.0 | 12.0 | 12.0 |
| Efficiency [%] | 80 | 70 | 70 | 70 | 60 | 60 | 60 | 60 | 50 | 50 | 50 | 50 |
| Length L [mm] | 22.1 | 28.5 | 28.5 | 28.5 | 34.9 | 34.9 | 34.9 | 34.9 | 41.3 | 41.3 | 41.3 | 41.3 |
Motor data
| Rated voltage [V] | Rated torque [g-cm] | Rated speed [rpm] | Rated current [mA] | No load speed [rpm] | No load current [mA] | Rated output [W] |
|---|---|---|---|---|---|---|
| 12 | 250 | 4930 | ≤1600 | 6000 | ≤250 | 12.8 |
| 24 | 240 | 5150 | ≤750 | 6000 | ≤130 | 12.7 |

Encoder specifications
- Two channel hall effect encoder with 90° phase shift
- Open collector output
- 7 pulses per motor revolution (PPR) and senzor
- Supply voltage 3.5 až 20 V
- Length of rear cover (D) 13.5 mm
- We offer a suitable connector for PCB