Main page >
DC motors with planetary gearbox >
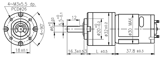
Series PG320
DC motor series PG320 with planetary gearbox
- DC carbon-brush motor
- It contains a filter to suppress electromagnetic interference
- Bidirectional, the direction of rotation can be set by changing the polarity of the supply voltage
- There is also a version with encoder
- Planetary gearbox with metal gears (except first stage)
- Only first stage is made of plastic for noise reduction purpose
- Output shaft is supported by a ball bearing
This series can be supplied with the bevel gearbox
Gear motor specifications
| Ratio | 5:1 | 14:1 | 19:1 | 27:1 | 35:1 | 51:1 | 71:1 | 100:1 | 139:1 | 189:1 | 264:1 | 516:1 | 721:1 | 939:1 | |
|---|---|---|---|---|---|---|---|---|---|---|---|---|---|---|---|
| 12 V | Rated torque [kg-cm] | 0.3 | 0.75 | 1.0 | 1.4 | 1.9 | 2.3 | 3.3 | 4.6 | 6.5 | 7.3 | 10 | 12 | 12 | 12 |
| Rated speed [rpm] | 995 | 373 | 270 | 195 | 150 | 104 | 74 | 53 | 38 | 28 | 20 | 11.2 | 8.3 | 6.3 | |
| 24 V | Rated torque [kg-cm] | 0.3 | 0.7 | 1.0 | 1.4 | 1.8 | 2.2 | 3.1 | 4.4 | 6.1 | 6.9 | 9.7 | 12 | 12 | 12 |
| Rated speed [rpm] | 990 | 370 | 265 | 191 | 150 | 103 | 74 | 53 | 38 | 28 | 20 | 11.2 | 8.3 | 6.3 | |
| Wieght [g] | 174 | 194 | 194 | 194 | 194 | 219 | 219 | 219 | 219 | 245 | 245 | 245 | 245 | 245 | |

Gearboxes specifications
- Backlash, at no-load ≤ 2.5 °
- Radial load ≤ 3.5 kg (10 mm from flange)
- Shaft axial load ≤ 2.5 kg
- Shaft press fit force max. ≤ 10 kg
- Radial play of shaft ≤ 0.05 mm
- Thrust play of shaft ≤ 0.3 mm
- Operating temperature range -10...60 °C
- Operating relative humidity 20...85 %
| Ratio | 5:1 | 14:1 | 19:1 | 27:1 | 35:1 | 51:1 | 71:1 | 100:1 | 139:1 | 189:1 | 264:1 | 516:1 | 721:1 | 939:1 |
|---|---|---|---|---|---|---|---|---|---|---|---|---|---|---|
| Rated permissible torque [kg-cm] | 2.0 | 4.0 | 4.0 | 6.0 | 6.0 | 8.0 | 8.0 | 10.0 | 10.0 | 12.0 | 12.0 | 12.0 | 12.0 | 12.0 |
| Efficiency [%] | 80 | 70 | 70 | 70 | 70 | 60 | 60 | 60 | 60 | 50 | 50 | 50 | 50 | 50 |
| Length L [mm] | 20.6 | 27.0 | 27.0 | 27.0 | 27.0 | 33.4 | 33.4 | 33.4 | 33.4 | 39.8 | 39.8 | 39.8 | 39.8 | 39.8 |
Motor data
| Rated voltage [V] | Rated torque [g-cm] | Rated speed [rpm] | Rated current [mA] | No load speed [rpm] | No load current [mA] | Rated output [W] |
|---|---|---|---|---|---|---|
| 12 | 78 | 5290 | ≤530 | 6500 | ≤150 | 4.22 |
| 24 | 74 | 5250 | ≤250 | 6500 | ≤85 | 3.97 |

Encoder specifications
- Two channel hall effect encoder with 90° phase shift
- Open collector output
- 7 pulses per motor revolution (PPR) and senzor
- Supply voltage 3.5 až 20 V
- Length of rear cover (D) 12.6 mm
- We offer a suitable connector for PCB
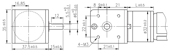
Parameters of the bevel gearbox
- Ratio 1:1
