Main page >
DC motors with planetary gearbox >
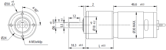
Series PG300
DC motor series PG300 with planetary gearbox
- DC carbon-brush motor
- It contains a filter to suppress electromagnetic interference
- Bidirectional, the direction of rotation can be set by changing the polarity of the supply voltage
- Planetary gearbox with metal gears (except first stage)
- Only first stage is made of plastic for noise reduction purpose
- Output shaft is supported by a ball bearing
Gear motor specifications
| Ratio | 14:1 | 19:1 | 27:1 | 51:1 | 71:1 | 100:1 | 189:1 | 516:1 | 721:1 | |
|---|---|---|---|---|---|---|---|---|---|---|
| 12 V | Rated torque [kg-cm] | 1.1 | 1.5 | 2.1 | 3.4 | 4.7 | 6.6 | 10 | 10 | 10 |
| Rated speed [rpm] | 430 | 310 | 221 | 117 | 83 | 60 | 32 | 13.2 | 9.6 | |
| 24 V | Rated torque [kg-cm] | 1.2 | 1.7 | 2.4 | 4.0 | 5.5 | 7.8 | 10 | 10 | 10 |
| Rated speed [rpm] | 445 | 320 | 229 | 121 | 87 | 62 | 34.5 | 13.5 | 9.8 | |
| Wieght [g] | 201 | 201 | 201 | 216 | 216 | 216 | 231 | 231 | 231 | |

Gearboxes specifications
- Backlash, at no-load ≤ 2.5 °
- Radial load ≤ 3.5 kg (10 mm from flange)
- Shaft axial load ≤ 2.5 kg
- Shaft press fit force max. ≤ 10 kg
- Radial play of shaft ≤ 0.05 mm
- Thrust play of shaft ≤ 0.3 mm
- Operating temperature range -10...60 °C
- Operating relative humidity 20...85 %
| Ratio | 14:1 | 19:1 | 27:1 | 51:1 | 71:1 | 100:1 | 189:1 | 516:1 | 721:1 |
|---|---|---|---|---|---|---|---|---|---|
| Rated permissible torque [kg-cm] | 3.0 | 3.0 | 4.0 | 6.0 | 6.0 | 8.0 | 10.0 | 10.0 | 10.0 |
| Efficiency [%] | 70 | 70 | 70 | 60 | 60 | 60 | 50 | 50 | 50 |
| Length L [mm] | 30 | 30 | 30 | 36.4 | 36.4 | 36.4 | 42.8 | 42.8 | 42.8 |
Motor data
| Rated voltage [V] | Rated torque [g-cm] | Rated speed [rpm] | Rated current [mA] | No load speed [rpm] | No load current [mA] | Rated output [W] |
|---|---|---|---|---|---|---|
| 12 | 110 | 5950 | ≤900 | 7300 | ≤150 | 7.0 |
| 24 | 130 | 6160 | ≤500 | 7300 | ≤80 | 8.5 |
