Main page >
DC motors with planetary gearbox >
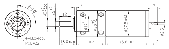
Series PG280
DC motor series PG280 with planetary gearbox
- DC carbon-brush motor
- It contains a filter to suppress electromagnetic interference
- Bidirectional, the direction of rotation can be set by changing the polarity of the supply voltage
- Planetary gearbox with metal gears (except first stage)
- Only first stage is made of plastic for noise reduction purpose
- Output shaft is supported by a ball bearing
Gear motor specifications
| Ratio | 5:1 | 14:1 | 19:1 | 27:1 | 35:1 | 51:1 | 71:1 | 100:1 | 139:1 | 189:1 | 264:1 | 516:1 | 721:1 | 939:1 | |
|---|---|---|---|---|---|---|---|---|---|---|---|---|---|---|---|
| 12 V | Rated torque [kg-cm] | 0.32 | 0.75 | 1.0 | 1.4 | 1.9 | 2.4 | 3.3 | 4.7 | 6.6 | 7.4 | 10 | 10 | 10 | 10 |
| Rated speed [rpm] | 1000 | 375 | 270 | 193 | 148 | 102 | 73 | 52 | 37.3 | 27.5 | 19.7 | 10.5 | 7.5 | 5.7 | |
| 24 V | Rated torque [kg-cm] | 0.38 | 0.9 | 1.2 | 1.7 | 2.3 | 2.8 | 4.0 | 5.6 | 7.8 | 8.8 | 10 | 10 | 10 | 10 |
| Rated speed [rpm] | 990 | 370 | 265 | 191 | 147 | 101 | 72 | 51.5 | 36.9 | 27.2 | 19.3 | 10.4 | 7.4 | 5.7 | |
| Rotation direction | CCW | ||||||||||||||
| Wieght [g] | 162 | 172 | 172 | 172 | 172 | 185 | 185 | 185 | 185 | 199 | 199 | 199 | 199 | 199 | |

Gearboxes specifications
- Backlash, at no-load ≤ 2.5 °
- Radial load ≤ 3.5 kg (10 mm from flange)
- Shaft axial load ≤ 2.5 kg
- Shaft press fit force max. ≤ 10 kg
- Radial play of shaft ≤ 0.05 mm
- Thrust play of shaft ≤ 0.3 mm
- Operating temperature range -10...60 °C
- Operating relative humidity 20...85 %
| Ratio | 5:1 | 14:1 | 19:1 | 27:1 | 35:1 | 51:1 | 71:1 | 100:1 | 139:1 | 189:1 | 264:1 | 516:1 | 721:1 | 939:1 |
|---|---|---|---|---|---|---|---|---|---|---|---|---|---|---|
| Rated permissible torque [kg-cm] | 2.0 | 3.0 | 3.0 | 4.0 | 4.0 | 6.0 | 6.0 | 8.0 | 8.0 | 10.0 | 10.0 | 10.0 | 10.0 | 10.0 |
| Efficiency [%] | 80 | 70 | 70 | 70 | 70 | 60 | 60 | 60 | 60 | 50 | 50 | 50 | 50 | 50 |
| Length L [mm] | 24.5 | 30.9 | 30.9 | 30.9 | 30.9 | 37.3 | 37.3 | 37.3 | 37.3 | 43.7 | 43.7 | 43.7 | 43.7 | 43.7 |
Motor data
| Rated voltage [V] | Rated torque [g-cm] | Rated speed [rpm] | Rated current [mA] | No load speed [rpm] | No load current [mA] | Rated output [W] |
|---|---|---|---|---|---|---|
| 12 | 79 | 5200 | ≤500 | 6000 | ≤130 | 4.22 |
| 24 | 94 | 5140 | ≤300 | 6000 | ≤80 | 4.96 |
