Main page >
DC motors with planetary gearbox >
Series PG160
DC motor series PG160 with planetary gearbox
- DC carbon-brush motor
- It contains a filter to suppress electromagnetic interference
- Bidirectional, the direction of rotation can be set by changing the polarity of the supply voltage
- There is also a version with encoder
- Planetary gearbox with metal gears (except first stage)
- Only first stage is made of plastic for noise reduction purpose
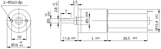
- Output shaft is supported by a ball bearing
Gear motor specifications
| Ratio | 4:1 | 14:1 | 19:1 | 29:1 | 62:1 | 104:1 | 231:1 | 370:1 | 561:1 | 1014:1 | 3027:1 | |
|---|---|---|---|---|---|---|---|---|---|---|---|---|
| 12 V | Rated torque [g-cm] | 21 | 60 | 82 | 120 | 220 | 380 | 700 | 1100 | 1700 | 2400 | 2400 |
| Rated speed [rpm] | 1330 | 430 | 315 | 205 | 100 | 59 | 26 | 16 | 11.0 | 6.0 | 2.3 | |
| 24 V | Rated torque [g-cm] | 31 | 85 | 120 | 180 | 330 | 560 | 1000 | 1600 | 2000 | 2400 | 2400 |
| Rated speed [rpm] | 2400 | 760 | 555 | 365 | 170 | 105 | 47 | 29 | 19.5 | 11 | 4.1 | |
| Wieght [g] | 37 | 41 | 41 | 41 | 45 | 45 | 49 | 49 | 49 | 53 | 53 | |

Gearboxes specifications
- Backlash, at no-load ≤ 3 °
- Radial load ≤ 0.5 kg (10 mm from flange)
- Shaft axial load ≤ 0.5 kg
- Shaft press fit force max. ≤ 1.5 kg
- Radial play of shaft ≤ 0.08 mm
- Thrust play of shaft ≤ 0.2 mm
- Operating temperature range -10...60 °C
- Operating relative humidity 20...85 %
| Ratio | 4:1 | 14, 19, 29:1 | 62, 104:1 | 231, 370, 561:1 | 1014, 3027:1 |
|---|---|---|---|---|---|
| Rated permissible torque [kg-cm] | 0.8 | 1.2 | 1.6 | 2.0 | 2.4 |
| Efficiency [%] | 80 | 70 | 60 | 50 | 40 |
| Length L [mm] | 15.05 | 18.70 | 22.35 | 26 | 29.65 |
Motor data
| Rated voltage [V] | Rated torque [g-cm] | Rated speed [rpm] | Rated current [mA] | No load speed [rpm] | No load current [mA] | Rated output [W] |
|---|---|---|---|---|---|---|
| 6 | 7.4 | 6550 | ≤160 | 8000 | ≤65 | 0.498 |
| 9 | 7.0 | 6500 | ≤110 | 8000 | ≤50 | 0.473 |
| 12 | 6.1 | 6200 | ≤85 | 8000 | ≤50 | 0.394 |
| 24 | 9.0 | 11000 | ≤90 | 13500 | ≤50 | 1.026 |
