Main page > Accessories > Clamp C15

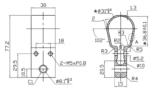
Clamp for linear actuator LD3

It is used for fixed attaching of the actuator by the tube. Suitable for LD3 series actuator.
Dimensions of clamp for linear actuator LD3
© 2026 - Ing. Jiří Gross - DC motors with spur and planetary gearbox, linear actuators