Main page >
Accessories >
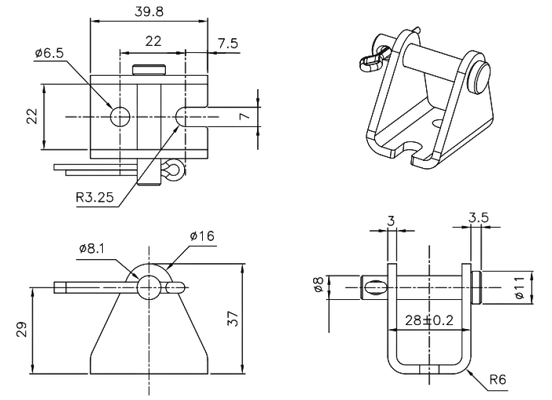
Bracket MB22
Mounting bracket MB22 for linear actuators
It is used for the movable attachment of the LD3 and LD20 actuators. The bracket can be used on both ends of the actuator.
Part number
Stock status
Order
